


| Items | Unit | TSK3" | TSK4" | TSK5" | TSK6" | TSK8" |
| Diameter of table | mm | Φ75 | Φ110 | Φ127 | Φ150 | Φ200 |
| Morse taper of the center hole | / | 2# | 2# | 2# | 3# | |
| Width of T-slot | mm | 8 | 12 | 12 | 14 | 14 |
| Modules of worm and worm gear | 1 | 1 | 1 | 1 | 1.5 | |
| Width of the locting key | mm | 16 | 16 | 16 | 16 | 16 |
| Adjacent angle of T-slot | 90° | 120° | 120° | 90° | 90° | |
| Transmission ratio of the worm gear | 1:36 | 1:72 | 1:72 | 1:90 | 1:90 | |
| Graduation of the table | 360° | 360° | 360° | 360° | 360° | |
| Tilting angle | 0~90° | 0~90° | 0~90° | 0~90° | 0~90° | |
| Readout of the handwheel | 1" | 1" | 1" | 1" | 1" | |
| Minimum value of vernier | 10" | 10" | 10" | 10" | 10" | |
| Minimum reading of the tilting vernier | 1° | 1° | 1° | 1° | 1° | |
| Indexing accuracy | 80" | 60" | 60" | 60" | 60" | |
| Net weight | Kg | 7 | 15 | 16 | 19 | 38 |
| Gross weight | Kg | 7.5 | 17 | 18 | 21 | 41 |
| Overall dimensions | mm | 220×140×140 | 320×200×190 | 320×200×190 | 340×250×185 | 400×300×240 |
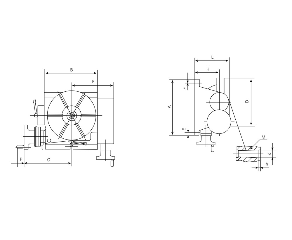
TSK Installation sketch and dimensions
| TSK3" | TSK4" | TSK5" | TSK6" | TSK8" | |
| A | 95 | 140 | 145 | 180 | 230 |
| B | 115 | 175 | 170 | 215 | 280 |
| C | 130 | 150 | 160 | 160 | 200 |
| D | 70 | 110 | 127 | 150 | 200 |
| F | 85 | 110 | 115 | 125 | 160 |
| H | 72 | 65 | 85 | 65 | 100 |
| L | 120 | 120 | 140 | 125 | 170 |
| M | / | MT2 | MT2 | MT2 | MT3 |
| P | 50 | 50 | 50 | 50 | 70 |